I-profiel, I-ligger, I-balk, I-draagbalk
De termen I-profiel en I-draagbalk worden meestal gebruikt voor stalen I-liggers.
De termen I-ligger en I-balk worden voor zowel stalen als houten I-liggers gebruikt.
De term I-joist (Engels voor I-balk, I-vormige draagbalk) wordt meestal gebruikt voor een houten I-ligger.
I-ligger kan meer betekenissen hebben:
- als stalen I-profiel
- als houten I-ligger (andere pagina)
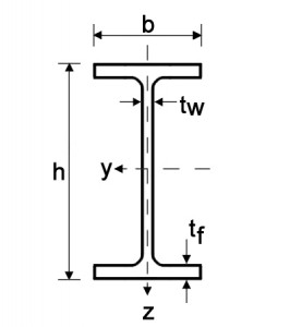
Een I-profiel is een meestal stalen balk (ligger, profielstaal) waarbij in dwarsdoorsnede de letter I is te lezen. De zijstukken bovenaan en onderaan het I-profiel worden   flenzen genoemd. Het rechtopstaande deel van de I-balk is het lijf.
In de aanduiding IPE180 is 180 de hoogtemaat in mm, incl. de dikte van de flenzen (zie de hoogte- en breedtematen van IPE-profielen verderop).
De IPE-balk is een type balkstaal met betrekkelijk korte, evenwijdige flenzen met een  constante dikte. Het IPE-profiel is door de rechte flenzen beter inpasbaar in constructies; er gemakkelijk een andere balk tussen de flenzen worden gelegd. 
IPE staat voor "I Profiel Europees", in het Frans is dit "I à Profil Européen" (ook tot IPE afgekort).
De INP-balk heeft wat  schuinere flenzen dan de IPE-balk. 
INP staat voor "I Normaal Profiel"; in het Frans is dit "I à Profil Normalisé" (afgekort tot IPN, vandaar dat er in Vlaanderen ook wel over IPN wordt gesproken; een oudere Franstalige benaming is bijvoorbeeld PN13 voor een I-profiel van 13 cm hoog). 
Een  H-profiel is eenzelfde balk als een i-profiel maar met  grotere  flenzen, meer of minder de letter H vormend.
| maatvoering ipe-profiel (staaldigitaal):  | ||||||||||||||||||||||||||||||||||||||||||||||||||||||||||||||||||||||||||||||||||||||||||
| kenmerken diverse ipe-profielen (letters uit afbeelding hierboven): 
 | ||||||||||||||||||||||||||||||||||||||||||||||||||||||||||||||||||||||||||||||||||||||||||
| verschil tussen ipe- en inp-balk (infosteel):  | ||||||||||||||||||||||||||||||||||||||||||||||||||||||||||||||||||||||||||||||||||||||||||
| verdeling van de schuifspanning t.g.v. dwarskracht in een dunwandig i-profiel; klik voor groter (tu delft):  | ||||||||||||||||||||||||||||||||||||||||||||||||||||||||||||||||||||||||||||||||||||||||||
| twee unp-profielen, gekoppeld met afstandhouders waardoor een soort fors i-profiel ontstaat, om een breder draagvlak te scheppen van 200 mm, om een oude muur erboven te dragen (niet altijd zijn de afstandhouders aanwezig, afhankelijk van wat gewenst is, zie bij puibalk); klik voor het portaal waar dit de bovenbalk is:  | ||||||||||||||||||||||||||||||||||||||||||||||||||||||||||||||||||||||||||||||||||||||||||
| i-profiel met voorgeboorde gaten:  | ||||||||||||||||||||||||||||||||||||||||||||||||||||||||||||||||||||||||||||||||||||||||||
| i-profiel (bovenop, liggend) en verder voornamelijk h-profielen, sommige met voetstuk met voorgeboorde gaten (foto joostdevree):  | ||||||||||||||||||||||||||||||||||||||||||||||||||||||||||||||||||||||||||||||||||||||||||
| flens als drager; staalverbinding met flens van i-profiel als drager van een andere balk (constructieberekening online):  | ||||||||||||||||||||||||||||||||||||||||||||||||||||||||||||||||||||||||||||||||||||||||||
| er zijn ook speciale i-profielen, bijvoorbeeld met bredere flens onderzijde (het ifb-profiel; documentatie type a en type b):  | 
Documentatie
- Afmetingen en draagvermogen van IPE-balken (van Staalhandel Staphorst) 
- Afmetingen e.d. van IPE-balken (van Bouwen met Staal) 
- Afmetingen e.d. van INP-balken (van Bouwen met Staal) 
- Draagvermogen van INP-balken (van Booischotse Metalen)
 
Zie ook IJzershop.
Verg. H-profiel, U-profiel, Z-profiel.
Voor liggers zie eventueel ligger, gewalste ligger, hoedligger (petligger), hünnebeckdrager, I-profiel, I-ligger (van hout), kokerligger, patrijspoortligger, plaatligger, profielstaal, raatligger, samengestelde balk, staalverbinding, U-profiel, vakwerkligger, verstijvingsligger, verstijvingsbalk (beton), Vierendeelligger, vollewandligger, vrije oplegging.
Zie eventueel berlinerwand, damwand, kip, onderslagbalk. Eng. I section
  Eng. I section